
PRECILEC雷恩编码器 军工级防护 无畏震动挑战
针对冶金车间高频振动、起重设备动态冲击等场景,RCI58系列采用全金属壳体与抗震结构设计,通过IP67防护等级认证。内部电路板采用灌胶工艺,有效抵御粉尘、油污及瞬时冲击,确保在-40℃至85℃的宽温范围内稳定运行,满足钢铁厂高温环境与户外起重设备的全天候需求。
法国雷恩编码器 ASIC光电技术 突破传输极限
搭载雷恩自主研发的ASIC芯片,RCI58系列编码器实现了信号抗干扰能力的跨越式提升。通过光电信号数字化处理与差分输出技术,即使在造纸厂高压变频器、木材加工设备电磁干扰等复杂环境中,仍能保证500米长距离传输的信号完整性。这一突破彻底解决了传统编码器在重工业场景中信号衰减的痛点。

雷恩PRECILEC 定制化轴径 适配多元需求
雷恩RCI58系列编码器提供10mm标准轴径与6mm、8mm、9.525mm可选规格,满足从大型起重机齿轮箱到精密木材加工机械的传动接口需求。实心轴设计配合双轴承结构,在承受径向负载的同时,保持0.01mm的轴向跳动精度,确保长期运行的稳定性。
雷恩编码器 高分辨率与宽电压供电的完美平衡
RCI58系列持1024ppr至10000ppr可调分辨率,用户可根据造纸机张力控制、冶金轧机定位等场景需求灵活配置。5-30V宽电压供电范围配合反极性保护与短路保护电路,即使面对起重机电源波动或木材加工设备瞬时过载,也能实现“零故障”运行。
RCI58系列雷恩编码器
电气参数 (Electronical Data)
电源电压 9-26Vdc; 5Vdc
脉冲数 1 ppr –10000ppr
响应频率 Max 300kHz
输出信号 A, B, Z, /A, /B, /Z
零脉冲 标准0.25 T(0.5T ,1T 可选)
信号方向 A超前B信号90°(轴端顺时针旋转)
感应机理 光电式
输出形式 HTL & TTL ( TTL与RS422兼容 )
输出电压 VH &e; 4v, VL≤0.5v @ 5Vdc
VH &e; Vcc-3v, VL≤0.5v @ 24Vdc
消耗电流 140 mA @ 5Vdc
40 mA @ 24Vdc
上升时间 ≤ 200 ns @ 5Vdc
≤ 800 ns @ 24Vdc
下降时间 ≤ 200 ns @ 5Vdc
≤ 200 ns @ 24Vdc
插头输出 M23*12芯
电缆输出 径向8芯PVC电缆(12芯PUR可选)
绝缘阻抗 &e; 10M&Omea;
EMC EN61000-6-2 ; EN50081-1(1992)
机械环境参数(Mechanical & Enviromental Data)
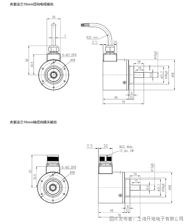
外径尺寸 58mm
孔径 6 mm,10mm(8mm,9.525mm可选)
壳体材质 铝材质
轴体材质 不锈钢
旋转速度 6000 rpm
启动力矩 5Ncm
转动惯量 50gcm²
轴向载荷 50N
径向载荷 80N
耐振动性 1000m/s² ( 10-1000Hz )
耐撞击性 100m/s² ( 6ms )
法兰固定 夹紧法兰、同步法兰、方形法兰
防护等级 IP65/IP66
工作温度 -40℃….+85℃
储存温度 -40℃….+90℃
重量 约360 ( 不含电缆 )

雷恩RCI58系列增量式编码器 定制化解决方案
钢铁冶金:耐高温设计适配连铸机、轧机等高温区域
起重运输:抗震结构保障塔吊、龙门吊的安全定位
造纸行业:抗干扰特性满足高速纸机同步控制需求
木材加工:多轴径选项适配CNC雕刻机、锯切设备
RCI58C系列编码器以“精准、可靠、耐用”为核心,通过光电技术的持续创新与工业场景的深度适配,正在重构重工业自动化控制的标准。选择RCI58系列,不仅是选择一款编码器,更是为生产系统注入“永不妥协”的工业基因。
法国雷恩编码器RCI58系列常用型号如下:
RCI58TS-HS14-C-01024-CA01
RCI58TS-HS12-C-01024-CA01
RCI58TS-HS10-C-01024-CA01
RCI58TS-HS06-C-01024-CA01
RCI58RS-HS14-C-01024-CA01
RCI58RS-HS12-C-01024-CA01
RCI58RS-HS10-C-01024-CA01
RCI58RS-HS06-C-01024-CA01
RCI58TS-HS14-C-01024-23C1
RCI58TS-HS12-C-01024-23C1
RCI58TS-HS10-C-01024-23C1
RCI58TS-HS06-C-01024-23C1
RCI58RS-HS14-C-01024-23C1
RCI58RS-HS12-C-01024-23C1
RCI58RS-HS10-C-01024-23C1
RCI58RS-HS06-C-01024-23C1
RCI58TS-FS01-C-01024-CA01
RCI58TS-FS02-C-01024-CA01
RCI58TS-FSU1-C-01024-CA01
RCI58TS-FSU2-C-01024-CA01
RCI58RS-FS01-C-01024-CA01
RCI58RS-FS02-C-01024-CA01
RCI58RS-FSU1-C-01024-CA01
RCI58RS-FSU2-C-01024-CA01
RCI58TS-FS01-C-01024-23C1
RCI58TS-FS02-C-01024-23C1
RCI58TS-FSU1-C-01024-23C1
RCI58TS-FSU2-C-01024-23C1
RCI58RS-FS01-C-01024-23C1
RCI58RS-FS02-C-01024-23C1
RCI58RS-FSU1-C-01024-23C1
RCI58RS-FSU2-C-01024-23C1
RCI58TS-HS14-C-02048-CA01
RCI58TS-HS12-C-02048-CA01
RCI58TS-HS10-C-02048-CA01
RCI58TS-HS06-C-02048-CA01
RCI58RS-HS14-C-02048-CA01
RCI58RS-HS12-C-02048-CA01
RCI58RS-HS10-C-02048-CA01
RCI58RS-HS06-C-02048-CA01
RCI58TS-HS14-C-02048-23C1
RCI58TS-HS12-C-02048-23C1
RCI58TS-HS10-C-02048-23C1
RCI58TS-HS06-C-02048-23C1
RCI58RS-HS14-C-02048-23C1
RCI58RS-HS12-C-02048-23C1
RCI58RS-HS10-C-02048-23C1
RCI58RS-HS06-C-02048-23C1
RCI58TS-FS01-C-02048-CA01
RCI58TS-FS02-C-02048-CA01
RCI58TS-FSU1-C-02048-CA01
RCI58TS-FSU2-C-02048-CA01
RCI58RS-FS01-C-02048-23C1
RCI58RS-FS02-C-02048-23C1
RCI58RS-FSU1-C-02048-23C1
RCI58RS-FSU2-C-02048-23C1
RCI58TS-FS01-C-02048-23C1
RCI58TS-FS02-C-02048-23C1
RCI58TS-FSU1-C-02048-23C1
RCI58TS-FSU2-C-02048-23C1
RCI58RS-FS01-C-02048-23C1
RCI58RS-FS02- C-02048-23C1
RCI58RS-FSU1-C-02048-23C1
RCI58RS-FSU2-C-02048-23C1
RCI58B BS15 2 04096 CA02
RCI58B HS15 2 0102423C 1(插头式)
RCI58C-H810-HCR2-B
RCI58C-3S2S7-CR22HW
RCI58T12NH-CR1-1024
RCI58TS-H10-S037
RCI58B-FS10-SS10223
RCI58B-FS10-SS10233

